
- Afdekkoppen: 2 stuks servo-moto aandrijving
- Spanning: 220V, 50/60HZ;
- Vermogen: 3,0 kW
- Luchtdruk: 0,5–0,7 MPa
- Ampère: 8,5A
- Snelheid: 40-45/min (aangepast aan de vorm en grootte van de potten)
- Geschikte productdiameter: φ28-φ125mm deksels (niet-standaard op maat gemaakt)
- Klierpassagepercentage: ≥99,5% (afhankelijk van de deksel- en flesfout)
- Machinegrootte: 3300*1150mm*1908mm
- Gewicht: 450kg
Voordat u de machine aanzet. Lees deze handleiding zorgvuldig door voor veiligheidszaken en het juiste gebruik van de machine. Om personeelsongevallen te voorkomen en de frequentie van machineschade te verminderen.
Bij gebruik van bijtende producten dient u ervoor te zorgen dat de bijtende voorwerpen niet in aanraking komen met de machine zelf en het personeel en dat deze niet op de machine of het personeel spatten.
- Gebruik de machine niet op plaatsen waar deze onderhevig is aan trillingen of botsingen.
- Wanneer de machine draait, mag het lichaam van de staf de bewegende delen niet raken.
- De machine moet worden vermeden op extreem vochtige plaatsen. En sluit het aan op de voeding, aarddraad correct geaard, om een veiligheidsongeluk te voorkomen.
- De bediener moet in een normale fysieke en mentale toestand verkeren. Als u alcohol, slaappillen of andere drugs gebruikt die schadelijk zijn voor uw mentale toestand, stop dan met het bedienen van de machine.
- De bediener moet geschikte kleding dragen om letsel door contact van de kleding met de rollende delen te voorkomen en mag geen vreemde voorwerpen op de machine plaatsen.
- Als er tijdens het gebruik geluiden of andere onregelmatigheden optreden, stop dan onmiddellijk en controleer het apparaat. Als u geen technische technici bent, mag u geen willekeurige onderdelen van de machine verplaatsen.
- Regelmatig (één keer per week) onderhoud en verzorging, waarbij u ervoor moet zorgen dat er geen water of andere vloeistoffen opspatten en dat de elektronische regelkasten en andere elektrische componenten niet in aanraking komen tijdens het reinigen van de machine.
- Ga te werk volgens de normale bedieningsprocedures en houd het oppervlak van de machine schoon en netjes.
De sluitmachine wordt toegepast in allerlei soorten cosmetische, medische, veterinaire, pesticiden-, smeerolie- en andere industriële sectoren binnen het verpakkingsproces.





Principe en kenmerken van de pottensluitmachine:
- Elektrische automatische besturing, stabiel;
- Met doppositioneringsapparaat, standaard vergrendelde afdekking, de bediening is gemakkelijk;
- De vergrendelingsdeksel heeft een breed scala, kan verschillende vormen van de dop draaien;
- De snelheid van het afdekken, de gevangenis van de spin, kan tegelijkertijd ook, indien nodig, de strakheid van het terugspoelen aanpassen.


Basisparameters van de machine voor het sluiten van cosmetische potten:

1. Afdekkoppen: 2 stuks servo-moto aandrijving
2. Spanning: 220V, 50/60HZ;
3. Vermogen: 3,0 kW
4. Luchtdruk: 0,5-0,7 MPa
5. Ampère: 8,5A
6. Snelheid: 40-45/min (aangepast aan de vorm en grootte van de potten)
7. Geschikte productdiameter: φ28-φ125mm deksels (niet-standaard op maat gemaakt)
8. Klierpassagepercentage: ≥99,5% (afhankelijk van de deksel- en flesfout)
9. Machinegrootte: 3300*1150mm*1908mm
10. Gewicht: 450 kg
Hostonderdeel Beschrijving


Aan-/uitschakelaar: regelt de stroomtoevoer aan-/uit.
Stroomindicator: stroom aan: groen lampje brandt, stroom uit: groen lampje is uit.
Noodstop: Wordt gebruikt om de machine onmiddellijk te stoppen of om de functie te resetten in geval van een noodsituatie of storing.
1. Foto-elektrisch starten: De machine is in werking, wanneer de foto-elektrische detectie detecteert dat er een fles is en een deksel heeft, kan de draaitafel beginnen te werken. Als een van de twee foto-elektrische apparaten niet wordt gedetecteerd, draait de draaitafel niet.
2. Oorsprong foto-elektrisch: Hiermee wordt de stappenmotor aangestuurd die de positionering van de draaitafel regelt, zodat de fles soepel in het deksel kan worden geplaatst.
3. Cap-foto-elektriciteit: Controleer of de afdekking op zijn plaats zit en detecteer foto-elektrisch of er een draaiplateau is dat gedraaid kan worden.
4. Bedek foto-elektriciteit: Het starten en stoppen van de bovenklepmachine wordt geregeld. Wanneer de door de bovenklepmachine geleverde klep is gesorteerd op de positie die door de foto-elektrische apparatuur is gedetecteerd, is de foto-elektrische apparatuur altijd helder, stopt de klepmachine voor de klep en wordt de intelligente klep geïmplementeerd.
5. Foto-elektriciteit van het slotdeksel: Wanneer de fles met deksel passeert, wordt de foto-elektrische detectie gedetecteerd en wordt het vergrendelingsdeksel geactiveerd volgens de ingestelde vertragingstijd (de specifieke parameters worden aangepast op basis van de snelheid van de transportband wanneer de machine wordt aangepast).
6. Slotdekselsysteem: De fles met het deksel is hetzelfde, de foto-elektrische startvertraging, vertraging naar de cilinderklemfles, de vergrendelingsdop wordt verlaagd, de gripafdekking - de schroefdop - de grijperontgrendeling - de vergrendelingsdop gaat omhoog - de clipfles wordt losgemaakt en het vergrendelingsdopproces is voltooid. In de vergrendelingsdop, wanneer de 1# vergrendelingsdop in de vergrendelingsdop zit, komt er een andere fles binnen. Op dit moment beweegt de 2# klemflescilinder en wordt de 2# vergrendelingsdop geactiveerd om de dop te vergrendelen. (Wanneer de dop die is vergrendeld door de 2# vergrendelingskop de 1# clipfles passeert, herhaal de vergrendelingsdop dan niet.

Beschrijving van de mens-machine-interface

Opstartpagina
3.1 De opstartpagina heeft een selectie voor de bediening in het Engels en Chinees. Als u op de Chinese knop klikt, komt u in de volgende interface:

Tweede interface
Stop: De startschakelaar van de gehele machine. Raak deze toets aan en de machine draait in de automatische modus. Raak deze toets nogmaals aan en de machine stopt met draaien.
Testpoort: Test de werking van de machine.
Draaitafelsnelheid: Hoe groter de snelheidsparameter, hoe hoger de snelheid, hoe lager de snelheidsparameter. (Maar er is een maximumlimiet.)
Vertraging draaitafel: Instellingen voor de opstarttijd van de draaitafel, in overeenstemming met het effect van een soepele draaitafelloop.
Aftoppingsvertraging: Nadat de draaitafel naar het aangewezen station is gegaan, duurt het wachten even en sluit de cilinderactie.
Afsluittijd: De tijd die nodig is om de cilinder af te dichten.
Uitvoer: Voltooi het record van het aantal slotdeksels, handige productietelling. Druk op de resetknop om te wissen.
X1.X3.X14: Controleer of de foto-elektrische apparatuur in de werkende staat van de reflectie is, gemakkelijk om de werking van de machinestatus te zien,
Capping-parameter: Druk op deze toets om de volgende interface te openen:

De interface is een parameterpagina die voor elke actie van de 1 # vergrendelingskop in het servovergrendelingsdekselsysteem kan worden ingesteld. Het verstandig instellen van de parameters is gunstig voor de stabiliteit van de machine en verbetert de efficiëntie.
Opbrengst: Druk op deze knop om terug te keren naar de tweede interface.
IO: Klik op deze knop om de volgende interface te openen:

X-serie punten: Is het invoerpunt om te detecteren of de foto-elektrische apparatuur in de werkende staat is, gemakkelijk om de werking van de machine te zien, eenvoudig onderhoud.
Y-serie punten: Is het uitgangspunt van de uitvoerende componenten van de normale toestand van feedback, kan ook handmatig op de control-toets drukken om te testen of de uitvoerende componenten normaal zijn.
Cap-feedersysteem: Kan stabiel en ordelijk zijn volgens de voorgeschreven richting om te bedekken.
Kantelverstelling: De hoek kan redelijk worden aangepast om te voorkomen dat het deksel in de slede klimt.
Regeling van frequentieomvormers: de snelheid van de dekking regelen.


Onderhoud van pottensluitapparatuur:
1. Houd de machine onder de conditie van stroom uit en gas uit om de veiligheid te garanderen. Houd de machine schoon en opgeruimd, geen kleine spullen op de machine, geen kleine artikelen, accessoires, bouten, etc.
2. En de smeerolie wordt regelmatig toegevoegd aan het bewegende deelmechanisme om een goede werking van het mechanisme te garanderen.
3. Laat regelmatig water uit het luchtfilter ontsnappen en voeg smeerolie toe om een goede werking van de cilinder te garanderen en de levensduur te verlengen.
4. Controleer en repareer de machine regelmatig. Beoordeel de werkingsconditie van de apparatuur met het oog en oor om er zeker van te zijn dat de machine goed werkt.
Opmerking: gebruik en onderhoud het in strikte overeenstemming met de instructies, de garantieperiode is strikt verboden om te openen en te demonteren, anders is de schade die hierdoor wordt veroorzaakt als menselijke schade, geen gratis reparatie. Deze instructie is onderhevig aan verandering zonder kennisgeving; als er nog steeds enige onzekerheid is over de werking van deze machine, bel ons dan op elk moment voor vragen
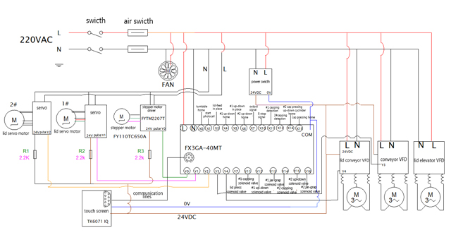
Bijgevoegd elektrisch schema:

Voorbeelden van afgewerkte, verzegelde doppen op de pottensluitmachine:





Cijfers: voor de vierkante zwarte potten omdat de doppen gevoelig zijn voor krassen, is het ontworpen met het pick-up systeem om de pottendoppen uit de trays te trekken en ze in het capping-ready station te plaatsen voor het capping-sluitproces. Het gedetailleerde werkprincipe wordt als volgt geïllustreerd: Werkproces:
1. Handmatig de doppen in de lade plaatsen (15*15 of 10*10)

2. De trays in het gereed-ophaalstation plaatsen
3. Robots pakken de potten op

4. Positionering van de flessen en afsluitingsproces
5. Uitvoer van afgesloten potten











