
- Afsluitsnelheid: 15-30 stuks/min
- Nominale spanning: 110V/60Hz (Amerikaanse standaard)
- Machinevermogen: 0,8 kW
- Ampère: 2,2A
- Buitenafmetingen: 2230*1460*1600 MM (L*B*H)
- Luchtdruk: 0,7 MPa
- Gewicht: Ongeveer 300 KG
Melding vóór het starten van de flessensluitmachine
1: Voordat u de stekker van het apparaat in het stopcontact steekt, moet u ervoor zorgen dat de aan/uit-schakelaar in de gesloten stand staat en vervolgens de instructies volgen.
2: Als de machine langere tijd niet gebruikt wordt, veeg hem dan af met een droge doek en gebruik geen bijtende schoonmaakmiddelen.
3: Het is ten strengste verboden om vloeistof in de elektrische kast van het apparaat te spuiten, om corrosie van de interne elektrische componenten en kortsluiting te voorkomen.
4: Controleer aan de hand van de paklijst van de apparatuur de modellen, specificaties en hoeveelheden van de apparatuur en materialen om er zeker van te zijn dat deze voldoen aan de eisen van het ontwerp en de productnormen en dat deze vergezeld gaan van conformiteitscertificaten.
5: Controleer het uiterlijk van de apparatuur om er zeker van te zijn dat deze vrij is van vervorming, beschadigingen en corrosie. Controleer ook of alle spindels soepel en zonder blokkeringen kunnen draaien.
6: Deze machine werkt op een eenfasewisselstroom van 110 V. De platte stekker met drie poten moet met een aardingsdraad in het stopcontact worden gestoken.
Technische parameters

- Afsluitsnelheid: 15-30 stuks/min
- Nominale spanning: 110V/60Hz (Amerikaanse standaard)
- Machinevermogen: 0,8 kW
- Ampère: 2,2A
- Buitenafmetingen: 2230*1460*1600 MM (L*B*H)
- Luchtdruk: 0,7 MPa
- Gewicht: Ongeveer 300 KG
Capping Machine in detail:



Structuren van de machine

Beschrijving van het optische vezel elektrische oog
Elektrisch oog voor het detecteren van flessen:

Wanneer het apparaat in de automatische modus wordt gebruikt, is het doel van dit elektrische oog het detecteren van binnenkomende flessen.
Wanneer de binnenkomende fles wordt gedetecteerd, begint de "draaitafel" te draaien.
Elektrisch oog voor het afleveren van de deksel

Wanneer het apparaat in de automatische modus wordt gebruikt, is het doel van dit elektrische oog het detecteren van binnenkomende deksels.
Wanneer het binnenkomende deksel wordt gedetecteerd, komt het "uitneemmechanisme" omhoog om het materiaal uit te nemen.
Elektrisch oog voor het afleveren van de deksel

Wanneer het apparaat in de automatische modus wordt gebruikt: Het doel van dit elektrische oog is het detecteren van binnenkomende flessen.
Wanneer de binnenkomende fles wordt gedetecteerd, draait het "vergrendelingsdopmechanisme" de vergrendelingsdop naar beneden.
Schakelknop en bedradingspoort
Touchscreen en noodstop

Voedingsmotor en dekseltrillingsplaatcontroller

Trilplaatregelaar

Trilplaatregelaar: Door de spanning aan te passen, kunt u de ontlaadsnelheid aanpassen.
Stroomschakelaar en stopcontacten

Motorcontroller

Frequentietransformator: Door de knop van de frequentietransformator te verstellen, past u de motorsnelheid aan.
Alarm- en probleemoplossingsmethode:
1. Noodstop is ingedrukt. Druk op de noodstops op de kap van de machine en naast het touchscreen.
2. De output bereikt de ingestelde waarde. Stel de output in, druk op de clear-knop om de huidige output te wissen.
3. Wanneer doppen gedurende een lange periode niet worden gedetecteerd, controleer dan. Controleer de inductievezel van de flesdop om te zien of deze goed is voorzien. Controleer of de doppen op hun plaats zitten of niet.
4. Wanneer flessen gedurende een lange periode niet worden gedetecteerd, controleer dan of de flessen op hun plaats zitten.
Elektrische oogaanpassing:
Versterkerstructuur

Diagram voor optische vezels:

1. Optische vezelvergrendelingsbalk
2. Indicator voor de bedrijfsstatus
3. Instellen
4. DSC-indicatielampje
5. Digitale monitor
6. Handmatige knop
7. Uitgebreide beschermingsdekking
8. Uitbreidingsconnector
9. Stroomkeuzeschakelaar
10. Modusknop
11. Uitvoerselector
12. Kabels
13. Stofkap
14. Waarde instellen (in groen)
15. Huidige waarde (in rood)
Werkproces voor de glasvezelinstelling
- Wanneer het elektrische oog in de opening valt, bedraagt de rode stroomwaarde 144.
- Wanneer het elektrische oog op het label valt, is de rode stroomwaarde 4.
- Pas de ingestelde waarde aan, ongeveer de helft van de waarde die het elektrische oog op het papier van het lichaam heeft (in de opening tussen de te detecteren objecten) en de waarde die het elektrische oog op het papier heeft. De ingestelde waarde is (144 4)/2=74. Pas de handmatige knop aan om de ingestelde waarde aan te passen naar 74.
- Beweeg de labelopening heen en weer op de locatie van het elektrische oog en het rode "signaallampje/indicatielampje".
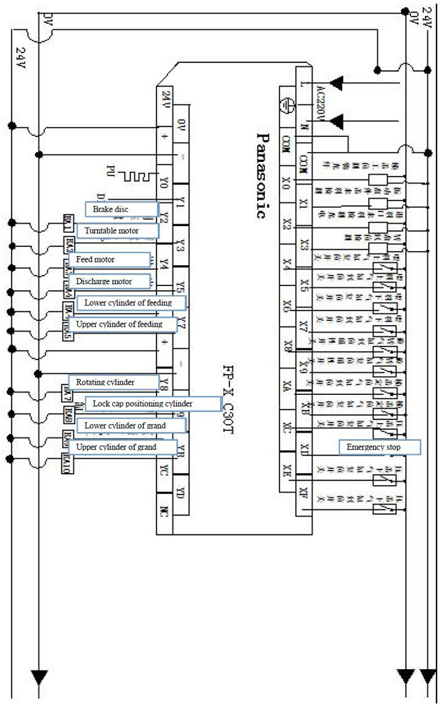
Schakelschema



Onderhoud Flessendopmachine

1. Het is noodzakelijk om de machine te controleren en te onderhouden om de machine te verlengen en de werking van de machine te optimaliseren;
- De werkende machine moet elke drie maanden onderhouden worden;
- Het lager en de tandwieloverbrenging moeten met vet worden gesmeerd;
- De smering moet periodiek worden uitgevoerd;
- De leibaanolie (N68) moet tweemaal per dag in het onderdeel worden toegevoegd, zoals bij een heen-en-weergaand mechanisme of bij het heffen;
- De auto-olie (N68) moet worden toegevoegd aan de roterende of zwaaiende delen;
- Voeg elke halve maand vet toe aan de nokkenasgleuf;
- Maandelijks eenmalig de oliesproeier door het vet bij te vullen;
2. Gebruik nooit metalen gereedschappen om op het oppervlak te slaan of te schrapen waar de lijm op de onderdelen, zoals componenten of mallen, is vastgehecht.
3. Als de machine gedurende een lange tijd niet draait, voeg dan vet toe voor de smering van onderdelen zoals de transmissie of het lager. Behandel de machine ook met een waterdichte bescherming.
4. Leg nooit voorwerpen op het apparaat, want dit kan het apparaat beschadigen.
5. Maak de onderdelen regelmatig schoon van stof en vuil. Controleer ook alle schroeven en draai loszittende schroeven vast.
6. Controleer de schroeven in de aansluitingen op een bepaald tijdstip op bedrading en zorg ervoor dat de schroef goed vastzit;
7. Controleer of er losse stations zitten in het uitgerekte bedradingspad van de elektrische dozen. Als het onderdeel te los zit, draai de schroef dan opnieuw vast om slijtage of schade aan de isolatielaag te voorkomen, wat elektrische lekkage kan veroorzaken.
8. Controleer de snel slijtende onderdelen en vervang de beschadigde onderdelen op tijd;









