
- VK-BR glazen flessen wasmachine
- VK-PF olievulmachine 4 koppen
- VK-VC vacuümafsluitmachine
- VK-RPL ronde flessen etiketteermachine
De volautomatische vullijn kan worden aangepast aan de eisen van de klant en de monsters die door de koper worden aangeboden. Hieronder vindt u de basisinformatie voor deze volautomatische vullijn voor de voedingsindustrie:
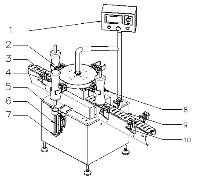
Glazen flessen Luchtwasmachine Vacuümwasmachine Apparatuur
Het is een automatische flessenwasmachine met perslucht. De capaciteit is afhankelijk van de luchtwasmondstukken.
De luchtcompressor transporteert de lucht in de vacuümcontainer, het gas wordt gezuiverd door het magneetventiel en de ionengenerator. De tracheale gasshampoo blaast gas in flessen via de gaswasmond, blaast vreemd gas uit de gaswasmond door de druk van het gas en brengt het uitgestoten afvalgas uit de trachea terug naar buiten via emissiecontrole.

| 1 | Bedieningspaneel | 2 | Flessen |
| 3 | Riem voor zuigflessen | 4 | Sensor voor flesvoeding |
| 5 | flessenbevestigingsstructuur | 6 | Spoelende inspuiter |
| 7 | Elektrostatische blaaspijp | 8 | Bevestigingspunt voor flessen |
| 9 | Band voor de uitvoer van flessen | 10 | Geleiderail |
Basisparameter van roterende luchtwasmachine automatisch voor glazen flessen:

Model: VK-BR
Pak om te bottelen: 20-1000ml
Productiecapaciteit: 8 reinigingssproeiers: 3600~4800bph
Luchtdrukbereik: 6~8kg/cm2
Luchtverbruik: 25m3/u
Voeding: 220V 50/60Hz
Stroomverbruik: 0,75 kW
Enkelvoudig machinegeluid: ≤70dB
Gezuiverde lucht: 0,2 μm
Reinigingstijd: 3~5s
Nettogewicht: 350 kg
Totale afmetingen: 1200 x 800 x 1600 mm
Olievulmachine 4 koppen lineaire vulmachine

De 4-kops olijvenvulmachine, aangestuurd door de microcomputer, combineert foto-elektriciteit met pneumatische bediening en wordt daarom op grote schaal toegepast voor het vullen van landbouwchemicaliën, oplossingen, vloeibare wasmiddelen, cosmetica en olijven met vloeistoffen.
Het vulvolume is nauwkeurig, schuimloos en stabiel. De machine kan de vloeistof vullen met het bereik van 25-1000 ml, terwijl er geen speciale vereisten zijn voor de vormen van flessen. Dat wil zeggen, het kan de vloeistof vullen voor de normale flessen en de irrugula-vormige flessen.

Model: VK-PF
Vulbereik: 50~3000ml
Vulsnelheid: <20-30b/m(voor 500-1000ml vloeistof)
Nauwkeurigheid: ±1%
Vermogen/voedingsvermogen: 0,8 kW、220 V
Werkdruk: 5~6kg/cm3
Luchtverbruik: 0,5-0,7mpa
NW: 500kg
Buitenafmetingen: 2000×800×1900mm
Markering: De vulmondstukken kunnen worden ontworpen en vervaardigd volgens de eisen van de klant wat betreft het vulbereik en de vulsnelheid.
Lineaire vacuümsluitmachine VK-VC pottensluitapparatuur:
Deze lineaire dopmachine is onderzocht en ontwikkeld door ons bedrijf met jarenlange ervaring, het is uniek in de binnenlandse. Geïntegreerde automatische dopregeling met afdekking, vacuümdop.
Aangenomen handmatige vacuümpomp om hoog vacuüm te bereiken. Met de functies van geen fles geen afdekking, alarmerend wanneer er geen doppen beschikbaar zijn. Genoten van hoge automatisering. De belangrijkste pneumatische en elektrische onderdelen zijn van wereldberoemde merken.
Met stabiele en betrouwbare prestaties. Het wordt veel gebruikt voor het vacuüm afsluiten van glazen potten met ijzeren doppen in de industrieën van ingeblikt voedsel, dranken, kruiden, gezondheidsproducten etc.

Vermogen: ≤2,3 kW (inclusief vacuümpomp)
Productiecapaciteit: 50-60BPM
Dopdiameter: ¢30-¢55mm ¢50-¢85mm
Hoogte fles: 80-250 mm
Diameter fles: ¢30-¢85mm
Max vacuüm: -0,08mpa
Afdektorsie: 5-20N.M
Luchtverbruik: 0,6M3/0,7Mpa
Afmetingen machine: ongeveer 3000 × 1000 × 1900 mm
Gewicht: ongeveer 850 kg
Vk-Rpl Ronde Flessen Potten Etiketteermachine

Sollicitatie: Vereist het omtreksoppervlak van het membraan dat op het etiket of product is bevestigd.
Industrie: Veelgebruikt in de voedingsmiddelen-, medische, cosmetische, elektronische, metaal-, kunststof- en andere industrieën.
Sollicitatie: Etikettering van ronde PET-flessen, etikettering van plastic flessen, blikvoer, enzovoort.

Geschikte labellengte (mm): 20mm ~ 314mm
Toepasbare etiketbreedte (rugpapierbreedte / mm): 15 mm ~ 150 mm
Toepasselijke producten diameter (voor ronde fles) en hoogte: diameter: φ25mm ~ φ100mm
Hoogte: 25mm ~ 230mm
Toepasbare standaard roldiameter (mm): φ280mm
Toepasbare standaard roldiameter (mm): φ76mm
Etiketteringsnauwkeurigheid (mm): ± 1 mm
De standaardsnelheid (m/min): Servo: 5 ~ 25m/min Stappen: 5 ~ 19m/min
Etiketteringssnelheid (st/min): Stapsgewijs: 30 ~ 80st/min (afhankelijk van de fles- en etiketgrootte)
Servo: 40 ~ 120st/min
Transportbandsnelheid (m/min): 5 ~ 25m/min
Gewicht (kg): Ongeveer 185kg
Frequentie (HZ): 50HZ Spanning (V): 220V
Vermogen (W): 530W (tractie stappenmotor) 980W (tractie servo)
Afmetingen van het apparaat (mm) (L × B × H): 1950 mm × 1100 mm × 1300 mm


Verpakking houten kist:

Aftersales-service voor vullijn

Wij garanderen de kwaliteit van de hoofdonderdelen binnen 12 maanden. Als de hoofdonderdelen binnen een jaar kapot gaan zonder kunstmatige factoren, zullen wij ze gratis voor u leveren of onderhouden. Als u na een jaar onderdelen moet vervangen, zullen wij u vriendelijk de beste prijs bieden of deze op uw site onderhouden. Wanneer u technische vragen hebt over het gebruik ervan, zullen wij gratis ons best doen om u te ondersteunen.
Kwaliteitsgarantie:
De Fabrikant garandeert dat de goederen zijn gemaakt van de beste materialen van de Fabrikant, met eersteklas vakmanschap, gloednieuw, ongebruikt en in alle opzichten overeenkomen met de kwaliteit, specificatie en prestatie zoals vastgelegd in dit contract. De kwaliteitsgarantieperiode is binnen 12 maanden vanaf de B/L-datum.
De fabrikant repareert de gecontracteerde machines gratis tijdens de kwaliteitsgarantieperiode.
Indien de storing het gevolg is van onjuist gebruik of andere oorzaken door de Koper, zal de fabrikant de kosten voor de reparatieonderdelen innen.
Installatie en debuggen:
De verkoper zou zijn technici sturen om de installatie en het debuggen te instrueren. De kosten zouden door de koper gedragen worden (retourvluchten, accommodatiekosten in het land van de koper). De koper zou zijn site-assistentie moeten verlenen voor de installatie en het debuggen.









